ホーム / 電気の知識 / 地絡時のV₀電圧について(OVGRの動作原理)

地絡時のV₀電圧について(OVGRの動作原理)

実際のZPDに発生する地絡現象と地絡試験での疑似地絡についての違いの説明をします。
それを知ることによって、あまり深く考えない部分であると思いますが、地絡電圧の意味をより深く知ることができるのではないかと思います。

地絡過電圧の試験では、実際に起こる地絡現象を再現することは困難です。
OCRやUVRは実際の現象を試験で再現することはできますが、OVGRはベクトル合成によるV₀に発生する電圧を監視するので、3Φ3W 6600V 60Hzの電源が必要になります。

図に表すと下図のようになります。

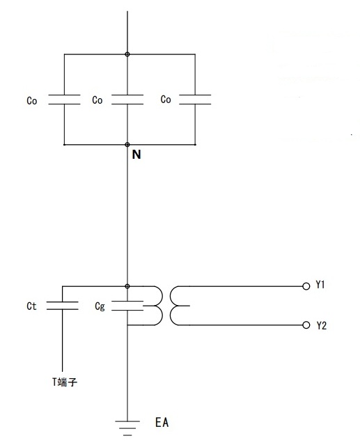
この回路が実際のZPDの接続になります。

地絡が発生した場合は、下の図のようになります。

上の図は、b相で完全地絡が発生した場合のV₀ーEA間に発生する対地地絡電圧の説明をしています。
1相完全地絡の場合は、V₀に健全相のベクトル合成電圧である11430V – EA間に発生すると言うことが上図で解ります。
上の図では解り難いところがあるのですが、N=bとなり健全相からのベクトル合成電圧は、健全相 ‐ N間に発生します。

継電器試験で3Φ3W 6600V 60Hzを発生させるのは、大変困難なので下図のような方法で試験をおこないます。
T端子を使用しない場合の試験方法での説明です。

a,b,c各相を短絡して全相に同じ電圧を印加します。並列なので3Coです。
同位相を並列で印加するので、ベクトル和ではなくて、単に和になります。
なので3Coになります。
ZPDはCで分圧しますのでN点に発生する3xCoとCgで分圧されます。
Cgで分圧された電圧をトランスで更に降圧しY1,Y2から継電器に送られます。

短絡をしなくていいのですがその場合は、3Coの静電容量と同等と考えると3倍のVが必要です。
電荷で考えると、3Q=3CVですのでCが1Cで固定であれば、3xVが必要になります。

完全地絡の場合、3810Vx3=11430Vとなります。
※3810Vは健全な中性点接地である平衡三相の対地電圧(スター結線の相電圧)という考えではなく、同一位相電圧を各相に印加するわけなので、3Coなので3810Vと考えるべきだと私は思います。
対地電圧=地絡電圧ではなく、ベクトルのバランスが変化することで中性点に発生する電圧が地絡電圧という考えが一般的だと思います。

試験では完全地絡電圧の5%ほどのV₀電圧でおこないます。実際に継電器が動作してPCSを停止させる信号がでます。
動作点がV₀の整定で5%であれば571.5Vです。短絡して印加する場合は190.5Vです。

T端子ですが、T=TEST(テスト用端子)です。
Ct=3Coになるように調整されています。V₀:5%整定であれば190.5Vになります。

完全地絡で考えると試験方式では、Co x 11430VがV₀に発生します。
3CoVでCoが1Co固定であれば3Vであり3810V x 3=11430Vです。

実際の1線完全地絡地絡現象で考えると、残り2線の健全相にそれぞれQ=Cox6600Vですが、ベクトル合成なので、Q=√3xCo x 6600なので、試験の時と同じ結果と言えます。
1xCo固定であれば√3x6600Vとなる。


コメントを残す

メールアドレスが公開されることはありません。 が付いている欄は必須項目です