ホーム / 電気の知識 / VV結線について

VV結線について

点検時に時折見かけるVV結線で電圧を見るときに、おや?どうだったかなとなりましたので、
まとめてみました。

現場の写真お借りして、写真をイラスト風にしてぼかしております。
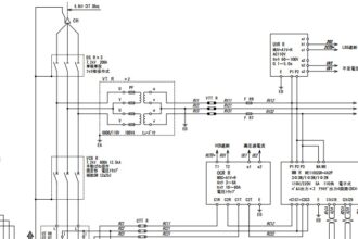
1次側がどのように入線されてるかが重要です。

上の図のように入線していれば、想像ができるのではないかと思います。

回路はこのようになります。
左が1次側です。

皆さんは、すぐに分かりましたか?現場で作業中に「そのトランスの動力と電灯の電圧をそれぞれ測定して下さい。」
と急に言われた時に、アレ?とならないように回路を頭に入れておきましょう。

2次側の電圧を見る場所は、上の回路図に加えるとこうなります。

トランスの2次側相を画像に加えるとこうなります。

今回の投稿は、以上になります。
最近少し忙しいかったので投稿に少し間隔があきましたが、また気になることがありましたら投稿したいと思います。

コメントを残す

メールアドレスが公開されることはありません。 が付いている欄は必須項目です