ホーム / JWCAD / CADの基本その3

CADの基本その3

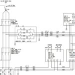
3回目のTIPSですが、VTの複線結線図を作成します。

今回は、複製を多用して作図をおこないます。

描きたい図形の共通点を意識して手順をイメージすることによって、短時間で複雑に見える図形が作図できるようになります。

今回の作図は、10分以内に作図できるという目標で頑張ってみてください。

CADの基本1回目~3回目まで、頭に入ればどんな回路図でも作成できると思います。覚えた操作の応用で大体のことはできます。

もちろんもっと高度な操作も、便利機能もありますが、今回の基本をマスターすれば、あとは自分で調べながらでも操作に躓くことはないと思います。

今回は触れませんでしたが、レイヤーの操作は覚えた方がよいと思います。

より複雑な回路図を作成する場合に便利です。

是非、電気主任技術者勉強会のテーマで、勝央の訓練用QBの単線結線図と複線結線図をレイヤー機能を自分で調べてCADで作成してみてください。

今回のTIPSは、以前に紹介したコマンドの操作方法は省略しています。

説明も不足気味かもしれません。

中級ほどの難易度になっていますので、わからない場合は質問して下さい。

上図の図形を見ると、上下対象であり左右も対象してる部分が多いのがわかるかと思います。

上図では半分作図とCADで書いてしまってますが、3分の1近くの作図で書けます。

まずは縦線の長さの基準を1本描きます。

上の図は縦の基準の長さの線を引いて、横線を2本作図している画面です。

横線の2本目の線は、線の長さは前に作成した線と長さを揃えてください。(スナップ機能を使う。)

横線の左端にコイルマークの波線を後ほど作成します。今作成されている線は何処なのか把握してください。

更にもう一本の横線は、複線コマンドで作成してください。

複線の使い方は、2回目のTIPSを見てください。

下の線間に分割コマンドの分割数が2で線を作成してください。

上図のようになります。基準の長さの1/2の幅が出来ました。

基準の半分の幅線が出来ましたら、一番下の横線は不要なので、消去してください。

上図は、何をしているのかと言えば1/2幅を基準線の上に複写しています。

破線の部分の上横線の位置を割り出すために作図しています。

次に破線部分(器具の躯体、外箱を表す線)右の縦線の位置を割り出しています。

私の場合は、最初に作成した基準線を複写コマンドで90°回転して複写しています。1本の線の場合は、範囲確定したときに線の中点が基準点になります。

上図は、基準線を90°回して配置した後に、破線部分の右の縦線を作図しています。一番下の横線の位置に合わせるために、スナップ(右クリック)で線の長さを設定しています。

上図では、破線になる部分の更に右に基準の長さの1/2幅に縦線を複線コマンドで増やしています。

この線は3相の線が、破線からはみでた部分の長さの参考線です。

基準線幅の左端に、コイルの波線を作成するために、分割コマンドで8分割にしています。

上図のように、スナップ機能で円を作成してください。

円が出来ましたら、縦線作図して円のカット用ラインを解りやすくしましょう。

円を消去コマンドで半円にして下さい。

円の左を残すには、円を選択した後に円の下から先にスナップ選択してください。

不要な線を消去すると上図のようになりました。

複線で1/2幅の縦線を追加。上図2枚を比べて追加された縦線の位置を確認してください。

不要な個所を消去コマンドで、削除してください。

上の図のようになれば正解です。

接続点の円を作図する位置に縦線を引いて交点を作ってください、私は円でサイズを20にしています。

円の中の線を消去してください。

見本図の破線の部分と同じになるように、属変で線種を変更してください。

ここまで出来ましたら、次はミラーコピーになります。

複製で図形を囲んで、上図で紫の部分を選択してください。

基準点変更で凹のへこんだ個所の真ん中に、上図で言えば小さな点で示されていると思います。

倍率のところに1 , -1と入力してください。

上図のようになれば正解です。

次はコイル部分だけ左にミラー複写します。

下の図はコイルを複写し終えて、次の段階の複写をしているところです。

スクリーンショット撮り忘れていましたすみません。

コイル部分の複写はサイズ20の円は、省いてください。

範囲を囲むとき円に少し重なるように範囲指定するとうまくいきます。

今度は倍率を-1 , 1にして、任意方向というところをX方向に変更してください。

X方向にしか移動しないはずです。上図くらいの間隔で向かい合わせに配置します。

次は上図の紫で選択されている部分を-1 , 1 X方向で見本図を参考に配置してください。

上図は左側(1次側)の仕上げです。コイルの線を延長して円で線をカットしています。

ヒューズの矩型□を作図して縦線に点の仮点で、サークルメニュー中心点、A点(サークルメニューの出し方、点コマンド→仮点にチェック→点を加えたい線の上で右ドラッグ→サークルメニュー中心点、A点でドラッグ解除。

ヒューズを加えたい箇所に、縦線を引いて交点を作ってください。

下図のように、配置して完成です。

あとは文字コマンドで、見本のようにテキストを加えてください。

お疲れさまでした。

コメントを残す

メールアドレスが公開されることはありません。 が付いている欄は必須項目です